Phantom giá độ nhạy lát cắt
Đo và đánh giá độ nhạy lát cắt trong các chế độ chụp CT xoắn ốc (spiral CT) theo thể tích.
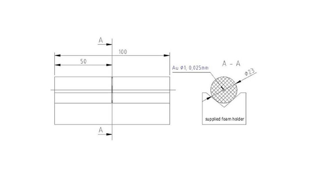
Phantom chứa một lá vàng mỏng 25 micron (đường kính 1 mm) được đặt chính giữa.
Phantom Độ Nhạy Lát Cắt (Slice Sensitivity Phantom) được thiết kế để kiểm tra độ nhạy lát cắt của máy chụp CT trong các chế độ quét xoắn ốc/helix. Bên trong phantom có một lá kim loại nặng dày 25 micron với dạng hình tròn, được đặt trong một khối xi-lanh bằng nhựa tương đương mô. Nhờ có miếng kim loại nặng này, việc đánh giá tất cả các độ collimation từ 0,5 đến 10 mm có thể được thực hiện với độ tương phản hình ảnh thích hợp




